关于空气源热泵相关产品疑问还请按以下方式与我们联系!
手机 : 15723327893
电话 : 023-67836493
Q Q : 2095707387
E-mail: 2095707387@qq.com
若您对我们的空气能产品有任何疑惑与问题,请咨询我们,我们将给您最佳解答!
工作时间:周一至周日 24小时手机服务
公司地址(渝北分部):重庆市渝北区兰馨大道中航MY TOWN A区1-447
类别
目前市场上的多联机空调(VRF空调)有两种类型,一般根据其冷凝器冷却形式来分,为风冷式和水冷式,分别称为风冷多联机和水源多联机。
两类多联机的比较
两类多联机系统都有如下优点:
1)室内机独立控制,使用灵活,易于实现“行为节能”,这里“行为节能”是指使用者具有的节能意识,驱使空调的合理使用,人为改变室内设定温度、在舒适温度范围内不开空调等个性化使用空调进行供暖或制冷的行为。
2)扩展性好,在多联机容量允许范围内可以适当地增加或减少室内机的台数,以适应建筑区域的租赁要求。
3)设计美观的同时容易调节的送风百叶容易获得良好的气流组织,提升了室内的舒适性。
目前国内多联机空调市场大多为风冷多联机,风冷多联机具有响应速度快、温度控制平稳、噪音低、系统简单、安装组合容易等优点。
同时风冷多联机空调系统还存在能效比较低(和水机相比)、受气候与环境的影响因素较大等缺点。
风冷多联机空调室外机需要建筑设置空调机位,或者于避难层且设置通风率较高的百叶,对建筑造型,尤其是设置全玻璃幕墙的高档写字楼与商业建筑有较大的影响。
同时当采用风冷多联机空调系统的建筑安装的楼层数较多时,由于热压效应,较低楼层的室外机排风会被较高楼层的室外机吸入,影响较高楼层的室外机运行效率,甚至造成较高楼层室外机的停机现象。
因此,风冷多联机空调系统通常不适用于超高层建筑、高档办公、大型商业等大型公共建筑项目。
由于风冷多联机空调系统的室外机必须和室外连通,这与高档建筑全封闭的造型产生了较大矛盾。
由于现代建筑的造型要求不断提高,多联机空调系统的室外机只允许安装于设有百叶的避难层,这就造成了内、外机之间以及室内机之间的高差越来越大。
虽然近年来格力、美的、海信、海尔、大金、日立等国内外主流多联机厂商通过对多联机系统的优化设计,进一步加大了内外机之间的允许高差。
目前主流厂家均能做到外机在上时,内外机之间的高差为50m,同一冷媒系统室内机之间的高差为15m。
虽然这样的匹配能力勉强能适应超高层建筑的安装要求(超高层建筑每个避难区的竖向高度一般控制在50m以内),但是如此大的内外机之间的高差会造成多联机空调系统较大的衰减,从而使得能效比本来就不高的风冷多联机空调系统在能效比上又进一步打折扣。
因此业内改变思路,从另一个角度解决风冷多联机空调系统在超高层、复杂项目上无法和建筑适配的问题,水源多联机空调系统柜应运而生。
水源多联机是一种直膨式热泵机组,末端管路为制冷剂铜管,可减少换热损失,降低输送能耗,提高能效系数,控制系统集成化程度高,运行灵活。
水源多联式空调概念在本世纪初提出并且相关厂家成功开发出相关产品,水源多联机空调系统将热泵技术与可再生能源结合,综合了风冷多联机、水源热泵、和智能控制等技术,利用水源热能(江河水、湖泊水、海水、地下水等)、土壤热能、污水等可再生能源,不仅使系统能耗显著降低,还可减少温室效应,有效减轻城市建筑群“热岛效应”,尤其适用于具有地下水等丰富低品位能源的地区。
水源多联机空调原理
多联机的制冷、制热原理均基于逆卡诺循环,风冷多联机与水源多联机的差异主要体现在室外机的室外侧换热器及其换热介质。
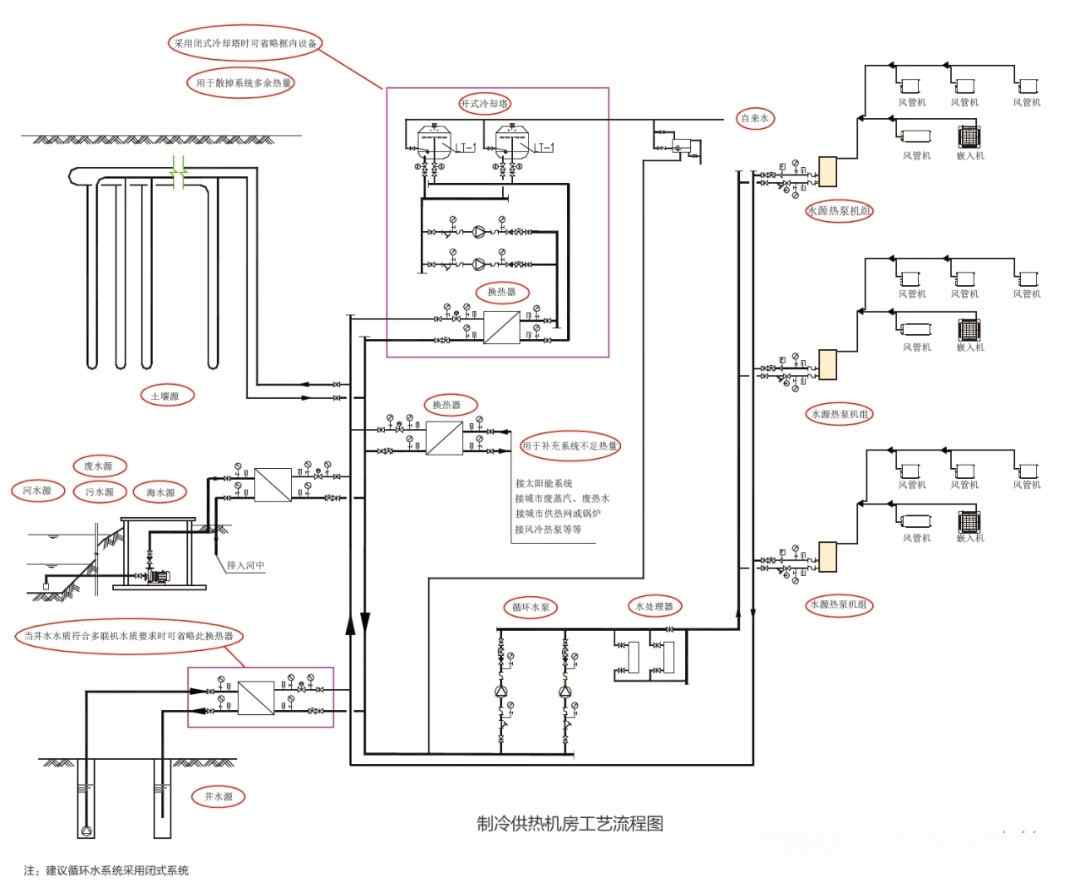
风冷多联机的室外机采用风冷翅片式换热器,水源多联机的室外机采用水—冷媒(制冷剂)换热器,多台室外机外接水管、并联于公共水环路,循环水夏季通过特定途径(冷却塔、土壤、江河湖海等自然水体、污水等)散热、冬季通过外部热源(一般地源、污水源较多)补充热量,组成水源多联式空调系统。
水源多联式空调系统能耗主要包括水源多联机能耗及公共水环路中的循环水泵组、冷却塔风机等公共设备能耗。
优势与问题
从设计形式上来区分,水源多联机空调系统可划分为以下几类:
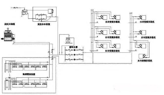
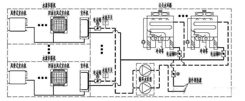
1)楼宇水环系统
众多水源多联机主机通过一套公共水循环系统并联起来,并以这套水循环系统作为夏季制冷时的冷源,最终通过冷却塔将循环水系统的热量散发出去。这样的空调系统形式可称为楼宇水环系统。
在冬季需要制热的情况下,冷却水循环系统需要一套热泵或者锅炉,用以加热循环水,作为空调系统冬季供暖的热源。
2)地埋管土壤源热泵系统
采用地埋管的形式将循环流动的冷却水与土壤进行热交换,适用于有合适的地埋管空间,适用于冬季有供热需求,全年供冷量与供热量基本平衡的空调(热泵)系统,否则还需要采取其它措施。
3)地表水水源多联机空调系统
适用于建筑靠近江河湖泊、池塘、海水等,通过闭式循环水于地表水源进行换热,另外需要校核水源的体积满足建筑物换热的需求。
4)地下水水源多联机空调系统
通常采用开式井水系统,地下水源的最大优势是水温十分恒定、系统运行能效比较高、运行环保,适用于地下水可以回灌的地区。
水源多联机融合了风冷式多联机和水环热泵两类系统的优点,在夏季采用温度较低的冷却水作为散热介质,提高系统效率。
在冬季利用土壤、工业废热余热、城市中水、污水等非商品能源作为低温热源,进行热泵供暖。
它还可以通过水环系统收集建筑内区的余热,并为建筑外区进行供暖,可极大地节约能源。
由于多联机主机采用了水冷的形式,空调系统能效比大幅提高,且制冷主机的体积大幅减小,因此可以将制冷主机放于各楼层、各商铺的设备间或杂物间等人员活动较少的房间,这样的设备放置形式使得内、外机距离较为接近,从而有效避免了风冷多联机空调系统往往会遇到的由于需要将室外机放置在屋面或者避难层而造成的内、外机距离与高差过大而造成空调系统制冷能力衰减的问题。
而室内机侧,由于采用了直接膨胀式系统,避免了水系统由于多次换热而产生的换热损失。
水源多联机空调系统是一种便于管理与行为节能,且系统较为简单的高能效比空调系统,在合适的区域,水源多联机空调系统还可以充分利用土壤源、地表水、地下水等可再生能源,以进一步实现节能与低碳环保,是一种前景良好的空调系统形式。
水源多联机空调系统虽然有很多优点,但同时又带来新的问题。
目前有一些水源多联机夏季依靠冷却塔提供冷却水,但冬季则以城市热网和燃气锅炉制取的热水作为低温热源,由于城市热网和燃气锅炉提供的是高温热水,为了适应水源多联机的工作条件,还需通过换热器或者混水方式将高温热水转变成低温热水,再通过压缩机耗功制取空调用热水,不仅经济性不好而且浪费了品质很高的高温热水。
因此,水源多联机更适用于具有丰富的非商品、低品位热源的场合。
水源多联机水系统设计注意事项
1)夏季供冷时,需要根据整个空调系统需要释放的总热量来计算循环水量。
最大释热量发生在与建筑最大冷负荷相对应的时刻,包括各空调分区内水源多联机系统释放到循环水中的热量(包括空调冷负荷以及水源多联机机组的耗功)循环水在输送过程中的得热量、循环水泵等耗电附件释放到循环水中的热量。
将上述三项热量相加就可得到供冷工况下整个空调系统释放到循环水中的热量。
冬季制热时,需要根据整个空调系统需要吸收的热量来计算循环水量。最大吸热量发生在与建筑最大热负荷相对应的时刻,包括空调分区内水源多联机系统从循环水中的吸收热量(空调热负荷,并扣除水源多联机机组的耗功)、循环水在输送过程中的失热量并扣除循环水泵等耗电附件释放到循环水中的热量。
将上述三项热量相加就可得到供热工况下需要从循环水中吸收的总热量。
最大吸热量=∑[空调分区冷负荷*(1-1/COP)]-∑输入过程得热量-∑水泵等释放热量其中,COP 为对应空调分区内水源多联机的制热性能系数。
水源多联机不管是应用在水环工况、地下环路工沉还是地下水工况中,其主机循环侧的最大水流量,皆应按照上述要求去计算,并校核单台水源主机的水量是否满足主机要求。
2)水源多联机主机对循环水水流量的要求
水源多联机在冬季制热时,冷媒需要从循环水中吸取大量的热量,如循环水量过小,水流速过慢,极易造成换热器内水的结冰膨胀,对换热器内部结构造成极大的损坏,甚至开裂。
其后果不仅损坏换热器本身,还可能导致水系统与制冷剂系统连通,水进入制冷剂系统,损坏压缩机等核心部件因此要求水源多联机单台主机在运行过程中其水流量必须满足设计要求,并保持稳定,即单台主机定流量运行。
此外要特别注意安装在最不利环路末端的主机流量。
|
冷(热)源温度范围 |
||
|
机组形式 |
制冷 |
制热 |
|
水环式机组 |
20~40℃ |
15~30℃ |
|
地下水式机组 |
10~25℃ |
10~25℃ |
|
地埋管式机组 |
10~40℃ |
5~25℃ |
|
地表水(含污水)机组 |
10~40℃ |
5~30℃ |
对于整个水循环系统来说,规模较小的建筑,当水源多联机主机台数较少,循环水系统较小,为节省初投资,可直接采用定流量运行。
规模较大的建筑,水源多联机主机台数较多,主机同时开启率较低为了节省循环水泵的能耗,循环水系统宜采用变流量系统,为保证水源多联机主机定流量的要求,在各层支管主管道上设置定压差阀“压差控制器”,确保各支路的压差稳定。
水源多联机主机入口或出口管段上还应安装与主机启停连锁控制的电动二通阀,且电动二通阀先于机组打开,后于机组关闭,同时,为了防止流量异常对主机换热器造成损坏,须在水源多联机主机出水管上安装水流开关,水流开关与主机连锁,当水量减少、水流开关动作后,主机停机保护。
3)水源多联机主机对循环水水温的要求
国内水源多联机目前有常温型和低温型水源多联机两大系列。
常温型水源多联机和低温型水源多联机的运行水温基本涵盖了 GB/T19409《水(地)源热泵机组》中规定的所有工况,因此,水源多联机可在水环工况、地下水工况和地下环路(地埋管)工况下长期稳定运行。
|
产品类型 |
适用水温 |
机组特点 |
|
常温水源多联机 |
制冷运行10~45℃ |
机组结构小巧,能效比高, |
|
低温水源多联机 |
制冷运行7~40℃ |
低水温制热能力强劲,适用 |
在进行系统设计时,设计供水温度宜在机组额定供水温度附近,以保持系统高效、可靠、节能 当水温偏离标准工况时,应按照厂家技术资料对主机能力进行修正。
应该注意的是,对于低温型水源多联机,当制热运行设计出水温度低于4℃时,须在循环水中添加乙二醇防冻液,以降低水的冰点,防止结冰对主机造成损坏。在使用乙二醇等防冻液时,注意使用缓蚀剂以保证循环水的pH值在7.5左右。应避免使用盐水作为防冻液加入循环水中,因为盐水对管路和主机具有较大的腐蚀性。
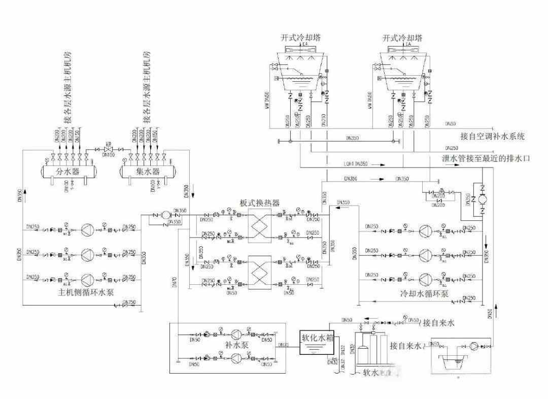
4)水系统的平衡与承压问题
水源多联机整个水系统的设计方法与传统水源热泵及冷水机组类似,分为同程式布置和异程式布置。不同之处在于传统水源热泵及冷水机组,其单台主机制冷量大,且主机一般与水处理设备、循环水泵、中间换热器等安装在地下室的特定机房内。
而水源多联机主机与风冷多联机类似,受末端氟系统管道长度的限制,主机一般就近安装在空调区内的分散机房内,或每层一个小面积机房,或三两层一个机房,主机数量可达几十台甚至上百台。
对于有些项目,主机过于分散放置带来的一个问题就是,管路设计时平衡难度增加,多数项目普遍需要在支路上安装必要的水力平衡阀,一是增加了项目成本,二是增加了运行调试的难度。
由于水源多联机要求单台主机定流量运行,且多联式空调系统自动化程度高,对运行过程中流量波动非常敏感,在现有项目中,经常出现由于水系统设计不良,导致的水源主机流量不达标,水流开关动作,主机停机影响使用的情况因此必须做好整个水系统的水力平衡设计。
目前已有很多超高层项目应用了水源多联机,特别要注意在此类建筑中,底部设备的静水压力和运行压力过高可能会超过主机的最大承压能力,因此必须对设备的承压能力进行校核。
需要特别注意的是,地埋管土壤源热泵系统,由于系统循环水直接送入水源多联机主机进行循环,地埋管最低点承受的水压力不仅仅是埋管深度的静水压力,还包括地面至最高点主机的静水压力,这与地下集中式制冷机房的土壤源热泵系统有所区别。
因此,地埋管设计时应着重考虑地埋管的承压能力,必要时,应设中间换热器将地埋管系统与主机水系统分开。
总结
1)公共水环路是水源多联式空调系统水流量输配、热量平衡的关键设施,也是水源多联机的核心之一。其管路规划、变流量输配策略是系统节能、低碳的关键因素。
2)水源多联式空调系统较风冷多联式空调系统而言,均便于分期建设,使用灵活。制冷工况下,前者能效比显著提高且环境友好,契合国家发展改革委、工业和信息化部、财政部、生态环境部、住房城乡建设部、市场监管总局、国管局于2019年6月13日印发实施的《绿色高效制冷系统行动方案》的要求。
3)外部热源型式的选择则是冬季制热工况是否节能、低碳的关键因素之一,须结合当地能源、气候条件进行设置。
有废热、余热条件时,应优先考虑其作为外部热源,无废热、余热条件时,冬季较温和的地区适宜采用低温风冷热泵作为外部热源。
4)夏热冬暖、夏热冬冷地区冬季需空调短暂供暖,一般水源多联机的室外机循环水最低流量限制较高,导致其冬季制热能效反而低于风冷多联机。若水源多联机在换热技术方向进一步优化,降低最低流量要求,则更加有利于水源多联式空调系统在以上地区的推广应用。
参考文献
《多联机空调系统设计应用技术规程》T∕CECA20016-2022 中国勘察设计协会
《水源多联机空调系统在深圳地区典型办公建筑中的应用研究》哈尔滨工业大学
《水源多联机热特性研究》华中科技大学
《水源多联式空调系统设计实践与分析》洁净与空调技术
《水源多联式中央空调水系统设计注意事项简析》中央空调市场
《民用建筑暖通空调设计统一技术措施2022》建筑工业出版社《中央空调节能及自控系统设计》建筑工业出版社